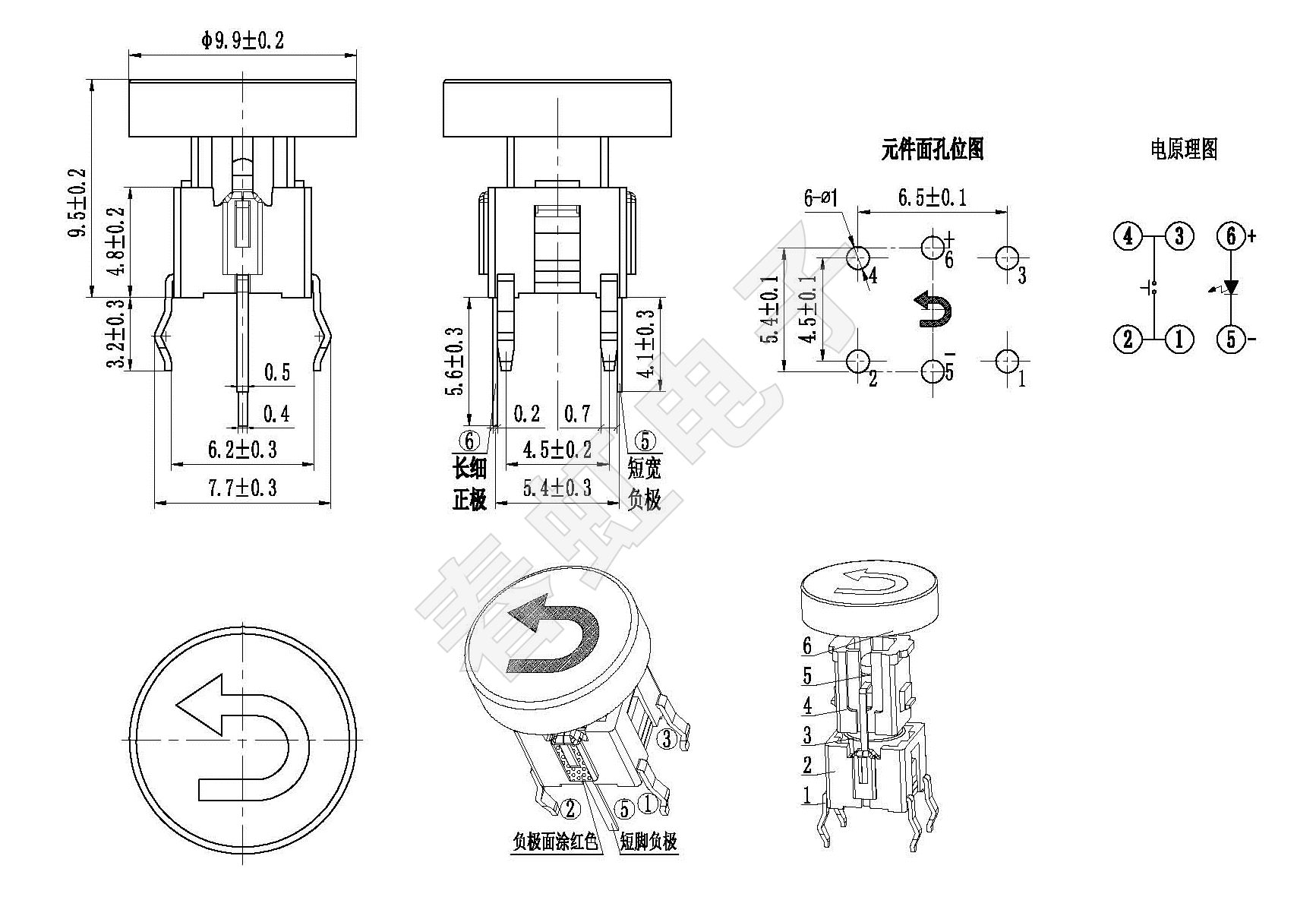
型号:KFCA0647-9.5H
气候等级: -25°C至75°C
额定值: 30V DC,30mA
接触电阻: ≤0.05Ω
耐电压: 250V AC
绝缘电阻: ≥100MΩ
动作力: 260gf±50gf/160gf±50gf
寿命: 10W times
盐雾试验: 12±1 hours
灯色:红/蓝/绿/白/红蓝/红绿等
帽子工艺分类:本色/黑漆/银漆/
产品详情

上一篇:KFCA0646-8.2H
下一篇:KFCA0648-8.3H


